Product

전동기제어반

Motor Control Center

Description

기술과 환경을 고려한 전동기제어반은 컴팩트하고 안전하며 유지보수가 편리하고 고급산업 설비로 전체 주문 및 제작 생산합니다.

Feature

높은 신뢰성과 고효율을 필요로 하는 고품질의 산업시설에서부터 일반 공정에 사용되는 저압모터의 제어와 보호에 이르기까지 최적의 성능을 발휘합니다. 이 제품은 조립 및 인출형으로 제작되므로 고객의 변경 요구에 신속하게 대응할 수 있습니다.

MCC Panel Specification

MCC Panel Specification
CODE SIZE (WxHxD)mm
HCE-MCC-5 W600xH2350xD600

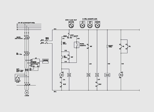
Drawings

MCC Panel Drawing
MCC Panel Drawing